Untersuchung des Einflusses der Umrichter-Taktfrequenz auf die Stromoberschwingungen
Masterarbeit
Hintergrund
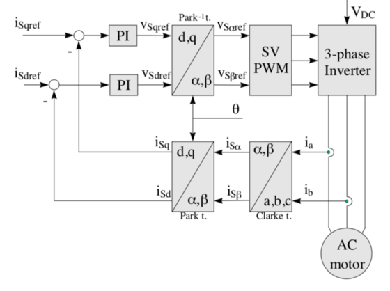
Zur Erzeugung einer variablen Spannung für moderne Traktionsantriebe im Automobil werden pulsweiten-modulierte (PWM) Umrichter eingesetzt. Neben den Vorteilen bei der Regelung treten jedoch parasitäre Effekte wie beispielsweise zusätzliche Maschinenverluste durch Stromoberschwingungen auf. Die für den jeweiligen Last-punkt erforderliche Grundschwingungsspannung kann durch den Umrichter mit verschiedener Parametrierung (Taktfrequenz, Zwischenkreisspannung, Modulations-verfahren) eingestellt werden. In Abhängigkeit dieser Parameter treten entsprechende Stromoberschwingungen auf.
Im Rahmen der Abschlussarbeit soll der Einfluss der Taktfrequenz auf die Stromoberschwingungen genauer untersucht werden. Nach einer Literaturstudie zur Modellierung von Umrichtern und elektrischen Maschinen soll ein entsprechendes Maschinen- sowie Umrichtermodell in Matlab Simulink implementiert werden. Abschließend soll mit dem entwickelten Modell der Einfluss der Taktfrequenz auf die Stromoberschwingungen analysiert werden.
Aufgabenstellung
- Literaturrecherche zur Modellierung von Umrichtern und elektrischen Maschinen
- Implementierung eines Maschinen- und Umrichtermodells in Matlab Simulink
- Analyse des Einflusses der Taktfrequenz auf die Stromoberschwingungen
- Schriftliche Ausarbeitung
